服務熱線:13974885210
熱線電話
13974885210
掃一掃,立即報價
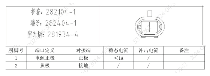
技術參數:
1.工作溫度:-40℃~+85℃,儲存溫度:-40℃~+90℃;
2.防護等級:IP5K2;
3.工作電壓:9-36V,靜態電流≤5mA;
4.ESD 4級 classA;
5.產品符合ROHS標準,阻燃等級UL94-HB;
6. 聲音“嘀嘀嘀”,聲壓級85±3dB,